

全国免费客服电话 0317-7777829 邮箱995831774@qq.com
手机13303377029
电话0317-7777829
地址995831774@qq.com
发布时间2024-03-25 08:30:02 人气
产品概述:
WAW-300B/600B1000B型微机控制电液伺服液压式*试验机主机采用油缸下置式主机结构,主要用于金属材料、非金属材料、产品零件、部件、结构件,标准件的拉伸、压缩、弯曲等力学性能试验。
本系列试验机若增配环境装置还可做该环境下的材料拉伸、压缩及弯曲试验。例如:高温拉伸、低温拉伸、压缩等试验。
适用于钢铁、冶金、建筑建材、质检中心、水利水电、公路桥梁、科研院所,大专院校力学等厂矿企业和检测科研机构。
产品的制造和检验标准
1. GB2611《试验机通用技术要求》
2. JJG139《拉力、压力和*试验机》
适用的试验方法标准
试验操作和数据处理满足GB/T228《金属材料室温拉伸试验方法》,GB/T7314《金属材料室温压缩试验方法》,GB/T232《金属材料弯曲试验方法》等上百个标准要求。并可根据客户需求配置满足不同标准的数据处理方法。
一、主要技术指标
1 主机
主机采用油缸下置式主机,拉伸空间位于主机的上方,压缩、弯曲试验空间位于主机下横梁和工作台之间。
2 传动系统
中横梁升降采用电机经链轮带动丝杠旋转,调整中横梁的空间位置,实现拉伸、压缩空间的调整。
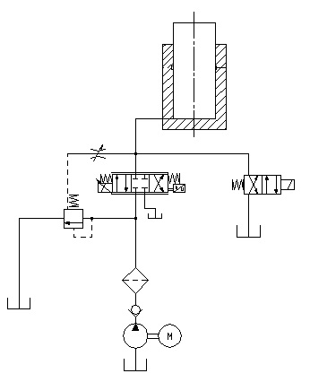
3 液压系液压原理如图二所示,为负载适应型进油节流调速系统。

油箱内的液压油通过电机带动油泵进入油路,流经单向阀、高压滤油器、压差阀组、伺服阀,进入油缸。计算机发出控制信号到比例伺服阀,控制比例伺服阀的开口和方向,从而控制进入油缸的流量,实现等速试验力、等速位移等的控制。
4.电气测控系统:
(1)伺服控制油源核心部件均采用进口原器件,性能稳定。
(2)具有过载、过流、过压、位移上下限位和紧急停止等保护功能。
(3)基于PCI技术的内置式控制器,保证了该试验机可以实现试验力、试样变形和横梁位移等参量的闭环控制,可实现等速试验力、等速位移、等速应变、等速载荷循环、等速变形循环等试验。各种控制模式之间可以平滑切换。
(4)试验结束时,可手动或自动高速返回试验初始位置。
(5)实现了真正意义上的物理调零、增益调整及试验力测量的自动换档、调零、标定和存盘,无任何模拟调节环节,控制电路高度集成化。
(6)电气控制线路参照国际标准,符合国家试验机电气标准,抗干扰能力强,保证了控制器的稳定性,实验数据准确性。
(7)具有网络传输接口,可进行数据的传输、存储、打印记录和网络传输打印,可与企业内部局域网或Internet网连接。
5. 软件主要功能特点描述
该测控软件用于微机控制电液伺服液压式*试验机,进行各种金属及非金属的试验,按照相应标准完成实时测量与显示、实时控制及数据处理、结果输出等各种功能。
(1)分权限管理,不同级别的操作者有不同的操作权限,可操作的菜单等内容也不同,既使普通操作者操作简单、方便、快捷,又有效的保护了系统;
(2)实时测量与显示试验力及峰值、位移、变形等各信号;实现了平台下的实时采集与控制;并实现了精确定时,高速采样;
(3)实现了负荷-变形,负荷-位移等多种试验曲线的实时屏幕显示,可随时切换观察,曲线的放大与缩小非常方便;
(4)具备试验参数的计算机存储、设定、加载等功能,调零、标定等操作都从软件上进行,各参数可方便的进行存储和调入,从而使一台主机带多个传感器时可以方便的切换,而且没有数目限制;
(5)支持多种控制方式,包括开环等速位移及等速力、等速应力等多种闭环控制方式;并在高级操作者调试闭环参数过程中给出标准参考曲线,从而使用户实际观察到各参数对闭环效果产生的影响。
(6)具有试验过程控制模式智能设置专家系统,提供给专业用户自动程控编程器。用户可以根据实际需要,按照规则灵活组合多种控制方式及控制速度,编制适合自己需要的控制程序。测控软件会自动按照用户设置自动控制试验过程。
(7)采用人机交互方式分析数据。处理方法满足应用广泛的标准要求,可自动计算弹性模量、屈服强度、规定非比例延伸强度等各种性能参数,也可人工干预分析过程,提高分析的准确度;也可以根据用户提供的标准进行其他的数据处理。
(8)试验数据以文本文件存贮,以方便用户查询,以及利用任何通用商业报表、字处理软件对试验数据进行再处理,同时方便联网传递数据;
(9)可记录、保存试验过程的数据曲线,可以进行曲线叠加对比,便于对比分析;
(10)可按用户要求格式打印试验报告。用户可以自己选择报告输出基本信息和试验结果及试验曲线的内容,满足各种需要;
(11)实现了试验力和变形的数字调零、自动标定,方便了操作,提高了机器的可靠性。各种参数系统设置以文件形式存贮,便于保存和恢复;
(12)可应用于Win7操作系统。试验过程控制、横梁移动速度的改变、参数输入等操作可全部用键盘、鼠标完成,使用方便快捷;
(13)具备过载保护自动停机功能,并可以自动判断试样断裂,自动停机。
根据用户要求不同,上述软件功能会有增减或调整改变。
6.软件及软件操作界面:
(1)软件可以在Windows 7系统下运行,用户界面呈现与Windows风格一致的中文窗口系统。所有的试验操作均可以在计算机屏幕上以鼠标输入的方式完成。
试验机主界面

序号 | 项 目 名 称 | WAW - 300B | WAW - 600B | WAW - 1000B |
1 | *大试验力kN | 300 | 600 | 1000 |
2 | 试验力示值相对误差 | ≤示值的±1% | ≤示值的±1% | ≤示值的±1% |
3 | 试验力测量范围 | *大试验力的2%~100% | *大试验力的2%~100% | *大试验力的2%~100% |
4 | 等速应力控制范围(N/mm2·S-1) | 2~60 | 2~60 | 2~60 |
5 | 等速应变控制范围 | 0.00025/s~0.0025/s | 0.00025/s~0.0025/s | 0.00025/s~0.0025/s |
6 | 等速位移控制范围(mm/min) | 0.5~50 | 0.5~50 | 0.5~50 |
7 | 夹紧方式 | 液压夹紧 | 液压夹紧 | 液压夹紧 |
8 | 圆试样夹持直径范围mm | Φ4~Φ32 | Φ6~Φ40 | Φ13~Φ60 |
9 | 扁试样夹持厚度范围mm | 0~15 | 0~30 | 0~40 |
10 | 扁试样夹持宽度mm | 70 | 75 | 80 |
11 | *大拉伸试验空间mm | 550 | 580 | 650 |
12 | *大压缩试验空间mm | 500 | 550 | 600 |
13 | 控制柜外形尺寸mm | 1100×620×850 | 1100×620×850 | 1100×620×850 |
14 | 主机外形尺寸mm | 730×590×1900 | 760×660×2100 | 900×750×2300 |
15 | 电机功率kW | 2.3 | 2.3 | 2.3 |
16 | 主机质量kg | 2000 | 2500 | 4000 |
17 | 立柱净间距(mm) | 450 | 450 | 580 |
18 | 上下压盘尺寸mm | Φ150 | Φ150 | 205*205 |
19 | 弯曲支棍间距mm | 400 | 400 | 450 |
20 | 弯曲支棍宽度mm | 140 | 140 | 140 |
21 | 容许弯曲度mm | 100 | 100 | 100 |
22 | *大活塞行程mm | 200 | 200 | 200 |
23 | 活塞*大移动速度mm/min | 约80 | 约80 | 约60 |
24 | 试验空间调整速度mm/min | 约150 | 约150 | 约100 |
标准配置
序号 | 名 称 | 规 格 | 数量 |
1 | 主 机 |
| 1台 |
2 | 伺服控制油源 |
|
|
4 | 控制柜 |
| 1台 |
5 | 测控系统 |
| 1套 |
6 | 油压传感器 |
| 1只 |
7 | 拉伸编码器 |
| 1只 |
8 | 计算机 |
| 1台 |
9 | 打印机 |
| 1台 |
10 | 圆试样钳口mm | Φ10~Φ20,Φ20~Φ32, | 各1副 |
11 | 扁试样钳口mm | 0~15, | 各1副 |
12 | 压缩附具mm |
| 1套 |
13 | 弯曲试验附具 |
| 1套 |
14 | 油泵 |
|
|
15 | 电机 |
|
|
16 | 技术文件 | 使用说明书,装箱单,合格证 |
|
相关推荐