

全国免费客服电话 0317-7777829 邮箱995831774@qq.com
手机13303377029
电话0317-7777829
地址995831774@qq.com
发布时间2024-03-24 08:30:02 人气
一、产品简介
XH-DH5砂浆点荷载试验仪适用于推定烧结普通砖或烧结多孔砖砌体中的砌筑砂浆强度。具有峰值显示,数据存储查询,单位换算,中英文切换等功能。符合是GB/T50315-2011《砌体工程现场检验技术规程》标准要求。
二、主要技术参数
1.测量范围:0-5kN
2.精度:0.001kN
3.*大行程:30mm
4.电源电压:5V 内置锂电池2000mA
5.净重:5kg
6.外形尺寸:12*18*31cm
7.保存峰值记录128条,13个线性标定位。
三、结构及特点
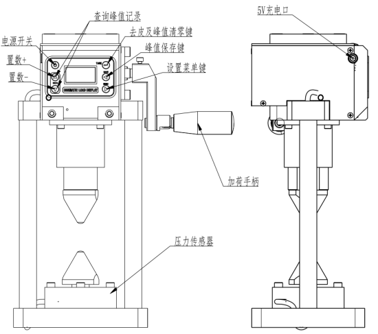
点荷仪由蜗轮、蜗杆机械加荷系统,内置锂电池、压力传感器和智能数字压力显示器,组成的一体机,使用及携带更加方便。
在工作时,将砂浆试样放在压头上,逆时针慢慢转动点荷仪的加荷手柄,使上加荷头向下移动,当加荷头顶住砂浆试样就产生压力荷载,然后缓慢均匀的施加荷载直至试样破坏为止,此时智能数字压力显示器将峰值荷载保持住。
四、使用说明
1、仪器开机,观察显示器上数字是否为零,若不为零应按“TARE”键,使其清零。
2、将每个测点处剥离出的砂浆大片加工成(或选取)符合下列要求的试件:厚度5-20mm,预估作用半径15-25mm,大面应该平整,但其边缘不要求非常规则。
3、在砂浆试件上画出作用点,用刮尺测其厚度t,精确至0.1mm。
将砂浆试样放置在下加荷头上。上、下加荷头对准预先画好的作用点,此时逆时针慢慢转动点荷仪的加荷手柄,当试件破坏时显示器上显示峰值为此时试件的*大强度值,单位为“KN”。按“SAVE”键将数据存储;存储成功后峰值自动清零,存储的数据会在屏幕下方显示出来。或当场手工记录。记录下智能数字压力显示器读数后,代入公式,计算强度。将破坏后的试件拼接成原样,量测荷载实际作用点到试件边缘的*短距离即位作用半径,精确至0.1mm。
注意:不要将上下加荷头直接顶压,如果上下加荷头来做本项检验时,必须在上下加荷头之间放置砂浆片,以免损坏加荷头。

五、智能压力数值显示器参数
1、智能压力数值显示器的工作原理及使用方法
主要由应变式压力传感器和显示电路组成。压力传感器受力产生电压信号,通过24位A/D转换器转换成数字信号,经MCU处理后由液晶显示器显示压力值。
2、菜单功能说明
A、“查询记录”:为峰值记录查询功能,选中后按“TARE”进入查询记录,按“DATA”上下选择或翻页,按“TARE”删除选中的记录。按“MENU”退出。
B、“加载标定”:仪器校准时使用,可以保存13个线性标定点,选中后按“TARE”进入,按“DATA+/-”输入密码8421;按“TARE”进入或按“MENU”/“SAVE”移光标至“退出”按“TARE”确认退出。
当进入标定界面后:
选择“增加标定”:此选项不会删除之前的标定数据,只为用户新增一个标定点。如果在13个标定位没有空余,需要用户删除多余的标定系数。
选择“重新标定”:此选项会删除之前的所有的标定数据,一般在换新传感器时才会使用。
“量程设置”:为了避免损坏传仪器,将量程设置为传感器的*大量程。
C、“清空记录”:清除所有的峰值记录。
D、“设置”:参数设置和修改,选中后按“TARE”进入,中英文设置;单位:kN、kg、N、Gm设置;恢复出厂设置;标定系数修改。
(注:恢复出厂设置会删除所有的标定数据,请谨慎操作!
相关推荐